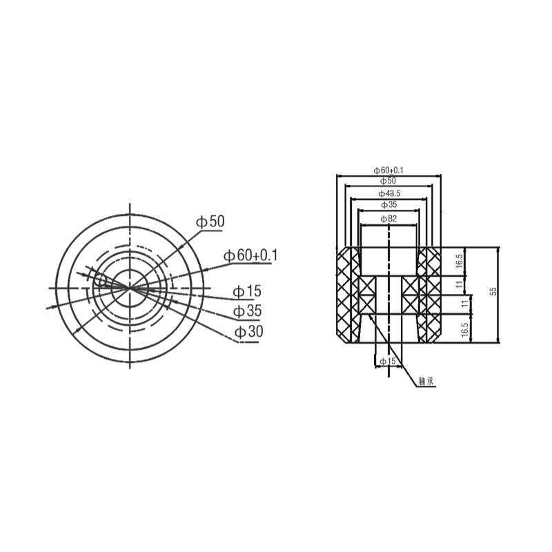
Produkt prítlačného valca má priemer 60 mm a výšku 55 mm. Je vybavený ložiskami 6202. Tento model ložiska má vysokú nosnosť a rýchlosť otáčania a je vhodný pre scenáre aplikácie eskalátorových valčekov. Použitie CPU (vysoko výkonný plastový materiál) môže dlhodobo udržiavať stabilné fyzikálne a chemické vlastnosti a predĺžiť životnosť valcov; valčeky využívajú kvalitné ložiská a materiály, ktoré majú vysokú nosnosť a dokážu vyhovieť potrebám rôzneho zaťaženia eskalátora. prevádzkové požiadavky za podmienok.

